ZADLABACÍ ZÁMKY
Zadlabávací zámky se dělí
dle počtu zamykaných bodů na:
| historické | jednobodové | vícebodové - na čelní liště | vícebodové - rozvorové |
![]() |
![]() |
![]() |
dle použité střelky nebo válečku na:
| střelkové mají střelku |
válečkové mají váleček |
s padací závorou | přídavné nemají ani střelku ani váleček |
![]() |
![]() |
![]() |
![]() |
dle použitého zamykacího nástroje na:
| • na klíč | • na cylindrickou vložku | • na čtyřhran – WC |
![]() |
![]() |
![]() |
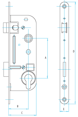
Základní rozměry zadlabávacích zámků:
A. Rozteč (72, 90, 92 mm)
B. Dorn (20, 25, 30, 35, 40, 45, 50, 55 mm)
C. Celkový zádlab
D. Výška čelní lišty
E. Šíře čelní lišty
Střelkové zámky jsou buď s reversibilní střelkou (otočnou – lze použít pro levé i pravé dveře) nebo pouze v provedení:
| „levé“ | či | „pravé“ |
![]() |
![]() |











